欢迎光临瑞安市天蓝环保设备有限公司网站!
热门搜索: 卸料器 卸灰阀 旋转阀 关风机 卸料阀 叶轮给料机 星型卸料器 刀型闸阀 插板阀 卸料器厂家
产品中心
联系方式
瑞安市天蓝环保设备有限公司
联系人:詹碧涛
热线电话:0577-65007068
传 真:0577-65007078
手 机:13335773555
网  址  :  www.ratlhb.com
公司地址:浙江省瑞安市阁巷高新区东二路111号
蝶阀系列当前位置: 首页> 产品展示 > 蝶阀系列

D941W-1C电动通风蝶阀

时间:2021-01-14 23:20   作者:admin 点击:7252 次

D941W-1C型电动通风蝶阀产品概述:
蝶阀采用优质钢板焊接而成,结构简单,重量轻,使用维修方便。非密封型,用来调节介质流量,使用在治金、矿山、水泥。化工、发电等行业的通风除尘、环境保护及采暖通风。

Product Instroduction

 

 This kind of butterfiy valve is weldve by high quality alloy steel with a simple strucyure,lightweight, and E-maintenance. lt has no sealing funcion.lt is widely used in the pipelines of 

ventilation, dust-moving, enxironmental protection and heating ventilation system to control the medium flow. Relatad industres are Blower, chemical,mill, metallurgy, cemrnt, eleceric 

power plant ,iron&steel and foodseuff industry rtc.

公称通径:100mm-3000mm;

公称压力:0.1Mpa; 

使用温度:≤300℃;

适用介质:空气、 煤气、 烟气等。

 

Nominal diameter:100mm-3000mm:

Nominal pressure:0.1Mpa;

Applicable temperature:≤300℃;

Applicale medium:Air,coal gas,flue gas etc.


采用标准  Applicable standard

制造标准:JB/T8692-98;

法兰连接尺寸:GB/T9113-2000;

结构长度:GB/T12221-89;

检验标砖:GB/T13927-92

 

Mannfacture standard:JB/T8692-98;

Flange connection size:GB/T9113-2000;

Face to face:GB/T12221-89;

Inspetion standara: GB/T13927-92

 

主要零部件材料  Matericl for main parts

阀体:Q235-A:  

蝶板:Q235-A;  

阀杆:  不锈钢;  

填料: 柔性石墨


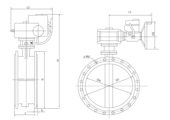
D941W-1C型电动通风蝶阀示意图:

D941W-1C型电动通风蝶阀主要技术参数:
瑞安市天蓝环保设备有限公司主营:卸料器、卸灰阀、星型卸灰阀、卸料阀、瑞安卸料器等系列产品,“天蓝环保、净化全球”,客服热线:0577-65007068


copyright 2016-2020 瑞安市天蓝环保设备有限公司 all right 技术支持:杭州维军网络传媒有限公司
联系人:詹碧涛 热线电话:0577-65007068 传 真:0577-65007078
手机:13335773555 地址: 浙江省瑞安市阁巷高新区东二路111号
公司网址:www.ratlhb.com 京ICP证000000号